S҇(gu)ĸߌӽ(xi)֘ǡe^{(dio)ʹҲSBL(fng)C(j)̎_(ki)h(hun)24hBm(x)\(yn)D(zhun)B(ti)L(fng)ĴСHͨ^(gu)L(fng)M(jn){(dio)(ji)L(fng)(q)(dng)늙C(j)Ŀͨϰٵװǧߣʹ{(dio)L(fng)ϵy(tng)^BĽ(jng)I(yng)ÿҪM(fi)~Ŀ{(dio)M(fi)ڬF(xin)еĻA(ch)ό(du)L(fng)ϵy(tng)M(jn)й(ji)ܸʹϵy(tng)ܸ(j)ҪM(jn)L(fng)L(fng)Ч(ji)sԴpM(fi)
1{(dio)L(fng)ϵy(tng)(ji)ܝ
ij;ƵƵͷסļ׃ÿղͬĕr(sh)g(du){(dio)ϵy(tng)L(fng)ҪҲͬ˴ڹ(ji)ܸĿԺͿԣɏׂ(g)(wn)}
1.1
{(dio)ϵy(tng)Ĺԭ
D1ʾijƵ{(dio)ʾD՚ĻL(fng)ںL(fng)M(jn){(dio)ϵy(tng)ڣ̎O(sh){(dio)L(fng)T(mn)ԿM(jn)L(fng)ĴС^(gu)VĿ՚^m(x)ǰ՚ͨ^(gu)L(fng)C(j)ȥӝӝĿ՚ȥsӜأS(ji)(jng)ˮȻM(jn)՚ңٵL(fng)M(jn){(dio)
D 1ʽ{(dio)ϵy(tng)ʾ
L(fng)һ_(ti)L(fng)C(j)ͬr(sh)L(fng)ҕҪ(yng)ԓǿ{(dio)ֻܲL(fng)ɹ(ji)ʡL(fng)r՚
1.2L(fng)C(j)D(zhun)L(fng)֮ܺgP(gun)ϵ
L(fng)C(j)Sݔ빦PcL(fng)ݔQ͓P(yng)H֮gP(gun)ϵ[2]
P = kQH1
ʽ k 鳣(sh)ʽ1f(shu)늙C(j)ݔʺ(q)(dng)L(fng)C(j)L(fng) QP(yng) H (dng)L(fng)C(j)D(zhun)n ׃r(sh)L(fng)C(j)ݔL(fng) Ql(f)׃֮gP(gun)ϵ
Q2/Q1=n2/n1 2
L(fng)C(j)D(zhun)ٺͳL(fng)L(fng)C(j)ݔ P D(zhun)n P(gun)ϵ
P2/ P1=n2/n13 3
ʽ123Ҋ(jin)pL(fng)ͨ^(gu)L(fng)C(j)D(zhun)ٌ(sh)F(xin)L(fng)C(j)D(zhun)ٌؽܺ(ji)Ч@
2(ji)L(fng)ϵy(tng)
{(dio)(ji)ܸϵy(tng)Ҫ]L(fng)C(j)\(yn)пƷʽ(yng)ʹÿ_(ti)L(fng)C(j)\(yn)Еr(sh)gM⣬(yng)(jin)ЧO(sh)Ӌ(j)r(sh)ܿ]NrһĿɔ_(yng)׃
2.1L(fng)C(j)ĿƷ

D 2L(fng)C(j)гʾ
ҪpL(fng)ĕr(sh)ЧķǸ׃L(fng)C(j)D(zhun)L(fng)C(j)D(zhun)ٿͨ^(gu)׃늙C(j)D(zhun)ٌ(sh)F(xin)(du)ཻ늄(dng)C(j)ʹ׃lЧظ׃늙C(j)D(zhun)١(du)ö_(ti)L(fng)C(j)MɵL(fng)ϵy(tng)@ 3_(ti)MD 2 ʾķ(li)(sh)ʩL(fng){(dio)(ji)3_(ti)늙C(j)Ŀʑ(yng)ڵL(fng)ݔ빦3_(ti)늙C(j)Уֻ(du)3_(ti)(sh)ʩ׃l{(dio) 12_(ti)Թlʽ\(yn)D(zhun)@ӼȿԜp׃lɱܺܺõL(fng){(dio)(ji)ĿL(fng)ϵy(tng)^(gu)£Сؓ(f)£ҪC1_(ti)늙C(j)lʽ\(yn)D(zhun)ԱCСL(fng)(dng)ҪL(fng)ӕr(sh)ɰ·ʽ׃\(yn)РB(ti)1̖(ho)C(j)\(yn)L(fng)3̖(ho)C(j)Ͷ밴׃lʽ\(yn)D(zhun)_(d)L(fng)ҪL(fng)Ȼ㣬2̖(ho)C(j)Ͷ\(yn)3̖(ho)C(j)׃lʽ\(yn)D(zhun)׃3̖(ho)C(j)D(zhun)_(d)ҪL(fng)ҪL(fng)pٵ^(gu)УO(sh)3_(ti)L(fng)C(j)ͬr(sh)\(yn)D(zhun)Ƚ3̖(ho)C(j)ĹlʵֵL(fng)Ȼ^(gu)г12̖(ho)C(j)Ƚ1_(ti)3̖(ho)C(j)׃lʽ\(yn)D(zhun)L(fng)Ȼ^(gu)3̖(ho)C(j)D(zhun)٣ֱг3̖(ho)C(j)
2.2]h(hun)L(fng)C(j)׃lϵy(tng)Ę(gu)
Ҫ(gu)]h(hun)ϵy(tng)ҪڳL(fng)ڰL(fng)ԱCL(fng)к㶨L(fng)(dng)y(c)õL(fng)r(sh)f(shu)L(fng)(q)(dng)^(gu)˕r(sh)(yng)L(fng)(q)(dng)(dng)y(c)õL(fng)͕r(sh)f(shu)˕r(sh)L(fng)(q)(dng)ҪӴL(fng)(q)(dng)zy(c)L(fng)̖(ho)ͽoֵM(jn)б^Դ_L(fng){(dio)(ji)]h(hun)L(fng)C(j)׃lϵy(tng)ĿDD3ʾݔBm(x){(dio)ģM̖(ho){(dio)(ji)׃lĹl֮߀Ҫݔ_(ki)P(gun)Դ_123̖(ho)늙C(j)Ľcг

D 3L(fng)C(j)׃lƽY(ji)(gu)ʾ
2.3O(sh)Ӌ(j)
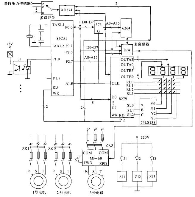
Ҫ(sh)F(xin)(du)L(fng)ĿƣʹL(fng)ֻ㶨@ÆƬC(j)·(gu)D4ʾÔ(sh)a@ʾL(fng)ĽoIP(pn)ݔҲλ(jng)A/ DD(zhun)Qݔڹ܌(sh)F(xin)Bm(x)Ҳ܌(sh)F(xin)ּ(j)Bm(x)wͨ^(gu)ƌ(sh)F(xin)

D 4늙C(j)·
3Y(ji)Փ
{(dio)L(fng)ϵy(tng)׃l]h(hun)ƺ\(yn)з(wn)(ji)Ч@mȻԭеϵy(tng)׃lֻ(du)_(ti)L(fng)C(j)׃lҪ׃lһHڎʮǧÆƬC(j)·DzҪ(du)ԭϵy(tng)ٸ׃ԣ(du)(g){(dio)ϵy(tng)Ͷ벢ϵy(tng)Ľ(jng)(j)Ч@
һƪ
{(dio)ϵy(tng)Ĺ(ji)܃(yu)c(din)
һƪ
{(dio)(ji)ܳɞ鹫(ji)c(din)췽